FP Projects: Complete 2D and 3D CNC Router Project 3 axes (Mini CNC Milling Machine)

 

Projects and Services Project Factory

See our supply condition for this project or similar.
Use the inquiry form below!


Project:

Complete 2D and 3D CNC Router Project 3 axes (Mini CNC Milling Machine)

Project description:

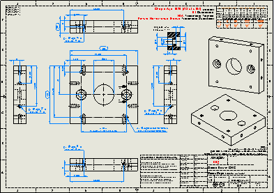
Complete project in PORTUGUESE 2D and 3D with assembly drawings for the construction of a cnc milling machine (Router). In the project I provide data and rare contacts for the purchase of the electrical panel and also contact for the purchase of linear guides, melted, ground shaft. I also provide data from the machine's communication software.

The project is perfect to adjust the dimension you want.
Use the form below and send your inquiry to receive a budget for this project:





Tags:

GabrielRocha-projects,mechanical designs fp,mechanical design supplier, PFP, mechanic projectist, Project Factory projects, mechanical projects

FP Projects: Complete 2D and 3D CNC Router Project 3 axes (Mini CNC Milling Machine)
Scroll to top