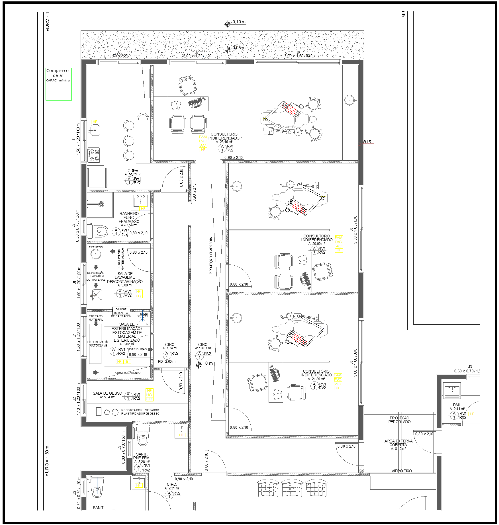
J'ai besoin d'un budget pour le projet de projet dans l'image ci-jointe. Projet d'installation de génération et de distribution d'air comprimé et de vide pour les trois points (chaises) selon Architectural…
J'ai besoin d'un budget pour le projet de projet dans l'image ci-jointe. Projet d'installation de génération et de distribution d'air comprimé et de vide pour les trois points (chaises) selon Architectural…